




RW11小流量系列不銹鋼減壓器,單級式膜片減壓結構,不銹鋼膜片壓力傳輸,輸出壓力穩定,適用于純凈氣體、標準氣體、腐蝕性氣體和液體等。可采用面板式安裝,適用范圍:實驗室、石油化工、測試設備等。
RW11小流量系列不銹鋼減壓器,單級式膜片減壓結構,不銹鋼膜片壓力傳輸,輸出壓力穩定,適用于純凈氣體、標準氣體、腐蝕性氣體和液體等。可采用面板式安裝,適用范圍:實驗室、石油化工、測試設備等。


●母體與膜片采用硬密封形式。
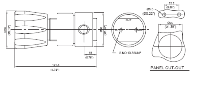
● 母體螺紋:1/4" NPT(F)、3/8" NPT(F)。
● 可采用面板式或墻式安裝。
| ? 最大輸入壓力:500,3000psig |
| ? 調節壓力:輸出壓力:0~25,0~50,0~100,0~250,0~500,0~750psig |
| ? 安全測試壓力:1.5倍的最大輸入壓力 |
| ? 適用溫度: -40℃至+100℃(大于100℃咨詢技術) |
| ? 泄漏率:2x10-8atm cc/sec He |
| ? Cv值: 0.06 ,0.08, 0.12 ,0.2 |
| ? 母體:316L , Brass ,C276,TA2,蒙乃爾400 ,不銹鋼襯氟 |
| ? 上蓋:304 |
| ? 膜片:316L,C276 |
| ? 過濾網:316L(10μm) |
| ? 閥座:PCTFE, PTFE, PEEK, Vespel |
| ? 彈簧:316L |
| ? 閥芯頂桿:316L |
| 訂購指南ORDERING INFORMATION | ||||||||
| 系列型號 | 母體材質 | 母體孔位 | 輸入壓力 | 輸出壓力 | 壓力表 | 進氣形式 | 出氣形式 | 選項 |
| L | B | D | H | G | 02 | 02 | P | |
|
RW11減壓器 HTRW11高溫減壓器 ARW11氣控減壓器 XRW11先導減壓器 LRW11液體減壓器 GRW11高純減壓器 ERW11電動減壓器 EARW11電氣比例減壓器 |
L:316L B:Brass C:C276 T:TA2 M:Monel CF:襯氟 |
A B D G J M |
D:3000psig F:500psig |
E:0-750psig F:0-500psig G:0-250psig I:0-100psig K:0-50psig L:0-25psig Q:30"Hg Vac-30psig S:30"Hg Vac-60psig T:30"Hg Vac-100psig U:30"Hg Vac-200psig |
G:附壓力表 (Mpa) p:附壓力表 (psig/bar) W:無壓力表 |
00:1/4NPT(F) 01:1/4NPT(M) 23:CGA330 24:CGA350 27:CGA580 28:CGA660 30:CGA590 52:G5/8-RH(F) 63:W21.8-14RH(F) 64:W21.8-14LH(F) 91:1/4"VCR(F) 92:1/4"VCR(M) 93:1/4"焊接管 其他接頭可供選擇 |
00:1/4NPT(F) 01:1/4NPT(M) 10:1/8卡套接頭 11:1/4卡套接頭 12:3/8卡套接頭 15:6mm卡套接頭 16:8mm卡套接頭 74:M8*1-RH(M) 91:1/4"VCR(F) 92:1/4"VCR(M) 93:1/4"焊接管 其他接頭可供選擇 |
P:面板式安裝 R:安全閥 N:針閥 D:膜片閥 ZR:自泄壓 SR:自卸壓帶回收口 |
全國服務熱線