
WTZ-FQ型調壓器適用于天然氣、煤氣、液化氣和其他無腐蝕性氣體調壓和穩壓,是替代衡量式(自力式)的新型調壓器;應用于民用小區群樓調壓及小型公寓設施。
WTZ-FQ型調壓器適用于天然氣、煤氣、液化氣和其他無腐蝕性氣體調壓和穩壓,是替代衡量式(自力式)的新型調壓器;應用于民用小區群樓調壓及小型公寓設施。
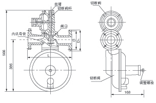
●該系列調壓器采用模塊化結構設計,信號管均為內置式,性能穩定、流量大、造價低、結構緊湊,可在線維護,極為方便。
●超壓自動切斷。
● FQ系列調壓器的主要結構和尺寸(見圖)。
● 該調壓器還可配置成單路旁通(1+1)、雙路加旁通(2+1)柜式調壓系統。
| ? 進口壓力P1:≤0.6MPa |
| ? 出口壓力P2:1~50KPa |
| ? 穩定精度δP2: ±10% |
| ? 關閉壓力Pb:≤ 1.25P2 |
| ? 工作溫度: -20℃~60℃ |
| ? 公稱管徑:DN50、DN80 |
全國服務熱線