
ZMAQ(BX)型氣動薄膜三通調節閥有合流和分流兩種作用方式。閥芯結構采用圓筒薄壁窗口,并采用閥芯側面導向。三通閥在某些場合可以替代兩個二通和一個三通閥在某些場合可以替代兩個二通和一個三通接管而得到廣泛應用,常用于熱交換器的兩相調節,也可用于簡單的配比調節。
ZMAQ(BX)型氣動薄膜三通調節閥有合流和分流兩種作用方式。閥芯結構采用圓筒薄壁窗口,并采用閥芯側面導向。三通閥在某些場合可以替代兩個二通和一個三通閥在某些場合可以替代兩個二通和一個三通接管而得到廣泛應用,常用于熱交換器的兩相調節,也可用于簡單的配比調節。
一、主要技術參數和性能指標
1、調節機構主要技術參數
2、執行機構主要技術參數
3、性能指標
注:一般均應帶定位器
4、允許壓差
可配附件
定位器 手輪機構 空氣過濾減壓器等。
二、主要零件材料及推薦使用溫度范圍
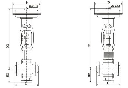
三、外形尺寸
注:公稱通徑小于8的分流閥采用同口徑的合流閥代替
訂貨須知
訂貨時請注明:
1、產品型號
2、公稱通徑、額定流量系數Kv
3、信號壓力、彈簧范圍
4、流量特性
5、閥前閥后壓差
6、介質種類
7、介質工作溫度范圍
8、閥體、閥塞、套筒材質
9、是否帶手輪機構及定位器、并說明型號
10、是否有其它特殊要求
全國服務熱線